Содержание:
Безмоментная теория оболочек
Предположения теории:
- Напряжения в оболочке постоянны по толщине
- Следовательно, отсутствует изгиб
Когда можно применять:
- У оболочки нет резких переходов
- Нет жёстких защемлений
- Нет нагружения сосредоточенными силами и моментами
Уравнение Лапласа
- $\frac{σ_m}{R_m}+\frac{σ_t}{R_t} = \frac p δ$
- p — давление (Па)
- δ — толщина стенки
При этом обычно $σ_m$ находят из уравнения равновесия на отсечённую часть.
Расчёт напряжений
Сферическая оболочка
Из уравнения Лапласа:
- $σ_m=σ_t$
- $σ_m=\frac{pD}{4δ}$
Напряжения в сфере
Собираем в Вон-Мизеса:
- $σ_1=σ_m$
- $σ_2=σ_m$
- $σ_3=p\approx 0$ (т.к. разрывные напряжения обычно порядка 200+ МПа, а давление — редко более 40 МПа, то на этом фоне $σ_3\approx0$)
- $σ_{VM}=\frac{1}{\sqrt2}\sqrt{(σ_m-0)^2+(σ_m-0)^2+(σ_m-σ_m)^2}=σ_m=\frac{pD}{4δ}$
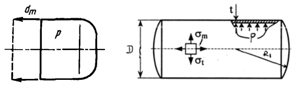
Цилиндрическая оболочка
Напряжения в цилиндре
- $σ_m * πD * δ = p \frac{πD^2}{4}$
- $σ_m=\frac{pD}{4δ}$
$σ_t$ находим изз уравнения Лапласа:
- $R_m=\infty$
- $R_t=D/2$
- $σ_m=\frac{pD}{4δ}$
- $σ_t=2\frac{pD}{4δ}=2σ_m$
Собираем в Вон-Мизеса:
- $σ_1=2σ_m$
- $σ_2=σ_m$
- $σ_3=p\approx 0$
- $σ_{экв}=\frac{1}{\sqrt2}\sqrt{(2σ_m-σ_m)^2+(2σ_m-0)^2+(σ_m-0)^2}=\sqrt{3}*σ_m=\sqrt{3}\frac{pD}{4δ}$
- $σ_{III}=…=\frac{pD}{2δ}$
Напряжения в днище находим как для сферы (обращаю внимание, что здесь нужен диаметр именно днища, т.е. для плоского днища формула не работает):
- $σ_m=σ_{VM}=\frac{pD_{дн}}{4δ_{дн}}$
К сведениям, широко используется Формула Барлоу — она просто выражает p через σT:
- $p_{allow}=\frac{2*σ_{allow}*δ}{D}$
- Почему-то в качестве гипотезы прочности используется теория III, а не VM (они близки канеш, но всё ж)